+1-(206) 278-5151
info@patsketch.com
Facebook
X-twitter
Linkedin
Services
Utility Patent Drawings Services
Design Patent Drawings Services
Trademark Drawings Services
Engineering Drawings Services
3D Modeling Services
EPO Compliant Color Drawings Services
Work Samples
How it Works
About Us
Testimonials
Client Reviews
Resources
Articles
FAQs
Sign In
Cart
Services
Utility Patent Drawings Services
Design Patent Drawings Services
Trademark Drawings Services
Engineering Drawings Services
3D Modeling Services
EPO Compliant Color Drawings Services
Work Samples
How it Works
About Us
Testimonials
Client Reviews
Resources
Articles
FAQs
Sign In
Cart
Contact Us
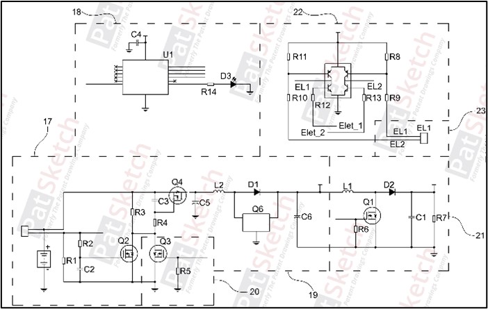
Electrical & Electronic Patent Drawings Example 1
Posted on
May 27, 2025
by
uddesh
error:
Content is protected !!
"
*
" indicates required fields
Facebook
This field is for validation purposes and should be left unchanged.
First Name:
*
Last Name
*
Email Address
*
Phone Number
*
Country
*
Please Select Country
United States
Canada
United Kingdom
China
India
North Korea
South korea
United Arab Emirates
Afghanistan
Albania
Algeria
Andorra
Angola
Antigua and Barbuda
Argentina
Armenia
Australia
Austria
Azerbaijan
The Bahamas
Bahrain
Bangladesh
Barbados
Belarus
Belgium
Belize
Benin
Bhutan
Bolivia
Bosnia and Herzegovina
Botswana
Brazil
Brunei
Bulgaria
Burkina Faso
Burundi
Cabo Verde
Cambodia
Cameroon
Central African Republic
Chad
Chile
Colombia
Comoros
Congo
Costa Rica
Côte d’Ivoire
Croatia
Cuba
Cyprus
Czech Republic
Denmark
Djibouti
Dominica
Dominican Republic
East Timor (Timor-Leste)
Ecuador
Egypt
El Salvador
Equatorial Guinea
Eritrea
Estonia
Eswatini
Ethiopia
Fiji
Finland
France
Gabon
The Gambia
Georgia
Germany
Ghana
Greece
Grenada
Guatemala
Guinea
Guinea-Bissau
Guyana
Haiti
Honduras
Hungary
Iceland
Indonesia
Iran
Iraq
Ireland
Israel
Italy
Jamaica
Japan
Jordan
Kazakhstan
Kenya
Kiribati
Kosovo
Kuwait
Kyrgyzstan
Laos
Latvia
Lebanon
Lesotho
Liberia
Libya
Liechtenstein
Lithuania
Luxembourg
Madagascar
Malawi
Malaysia
Maldives
Mali
Malta
Marshall Islands
Mauritania
Mauritius
Mexico
Micronesia
Moldova
Monaco
Mongolia
Montenegro
Morocco
Mozambique
Myanmar (Burma)
Namibia
Nauru
Nepal
Netherlands
New Zealand
Nicaragua
Niger
Nigeria
North Macedonia
Norway
Oman
Pakistan
Palau
Panama
Papua New Guinea
Paraguay
Peru
Philippines
Poland
Portugal
Qatar
Romania
Russia
Rwanda
Saint Kitts and Nevis
Saint Lucia
Saint Vincent and the Grenadines
Samoa
San Marino
Sao Tome and Principe
Saudi Arabia
Senegal
Serbia
Seychelles
Sierra Leone
Singapore
Slovakia
Slovenia
Solomon Islands
Somalia
South Africa
Spain
Sri Lanka
Sudan
South Sudan
Suriname
Sweden
Switzerland
Syria
Taiwan
Tajikistan
Tanzania
Thailand
Togo
Tonga
Trinidad and Tobago
Tunisia
Turkey
Turkmenistan
Tuvalu
Uganda
Ukraine
Uruguay
Uzbekistan
Vanuatu
Vatican City
Venezuela
Vietnam
Yemen
Zambia
Zimbabwe
Company Name
*
How did you hear about this?
*
Please select an option...
Google Ads
Social Media
Direct Search
×